ページTOPへ
ページTOPへ

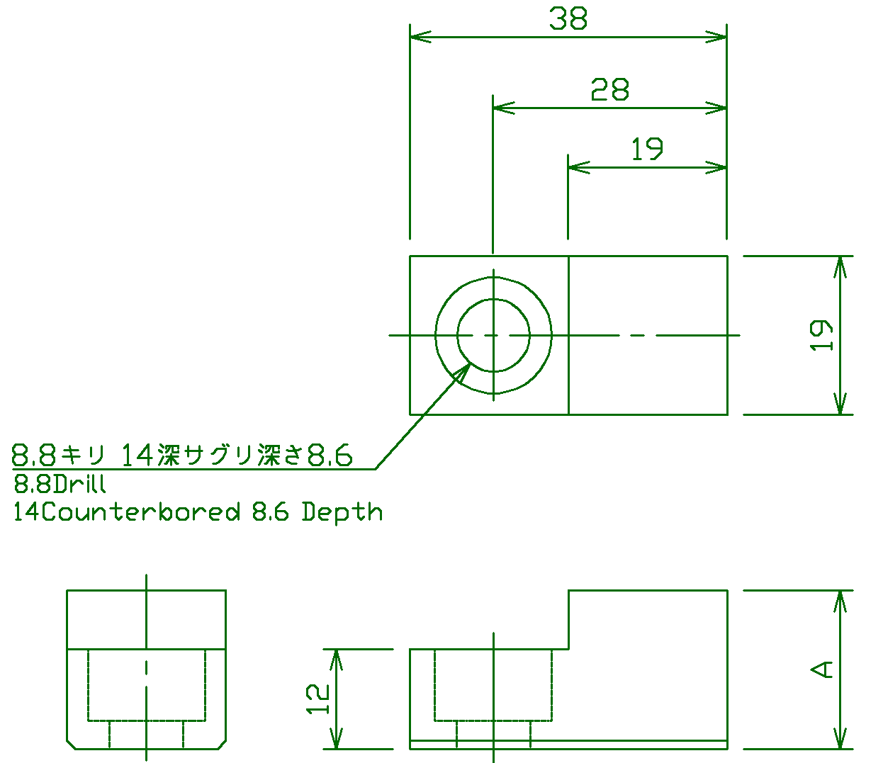
インサート電極  Insert electrode  

カタログ
用法Usage 
主にマルチ溶接機等に使用されます。 固定側電極に取り付けるベースチップのみの取り替えを可能とし、コストを低減することができます。

Mainly applicable to multi welding machine. Only the base tip mounted to the fixed electrode can be replaced, and reducing casts.
Instagram インスタグラム