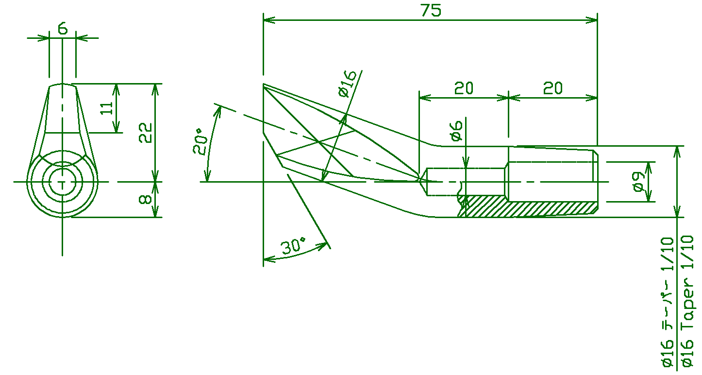
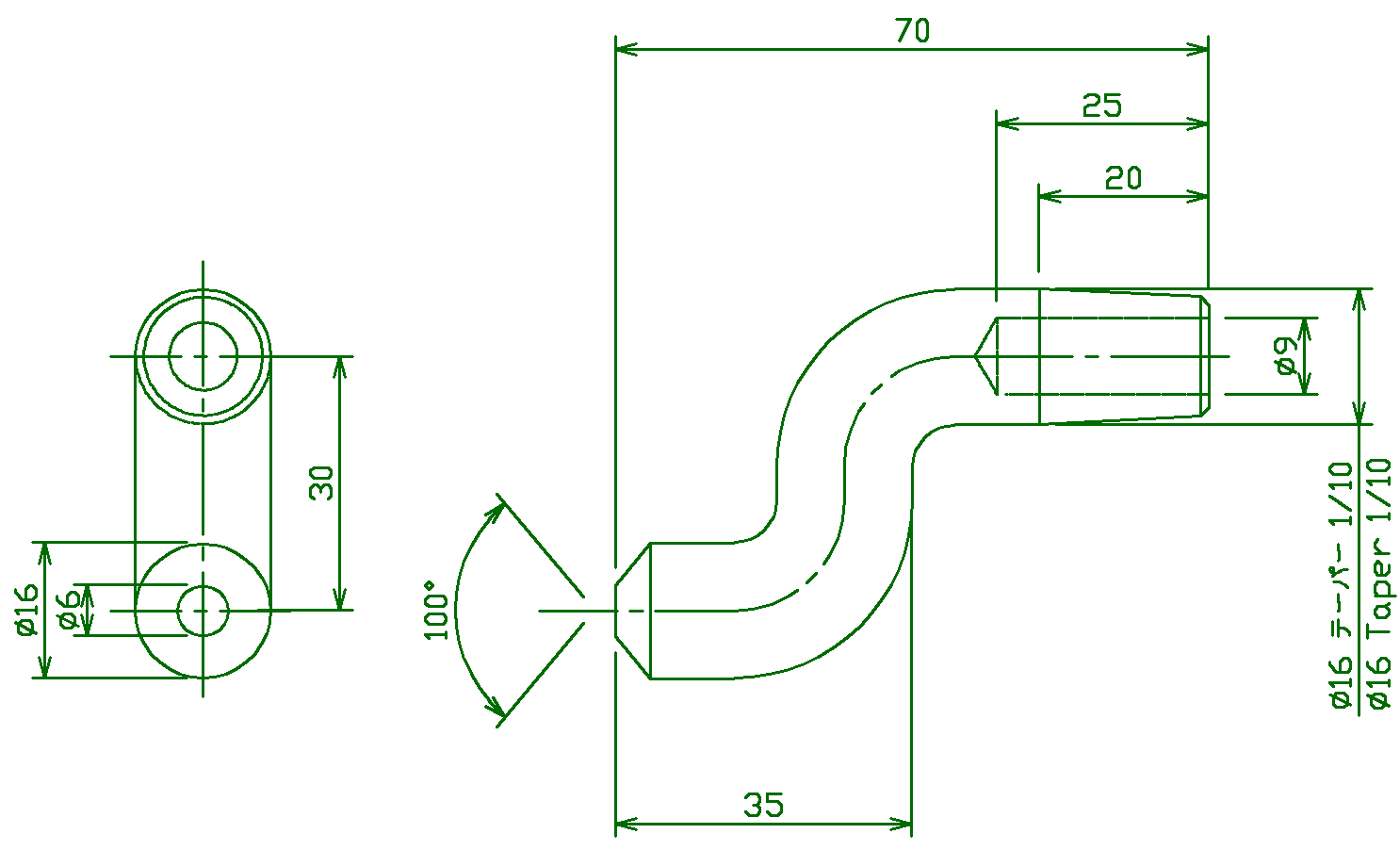
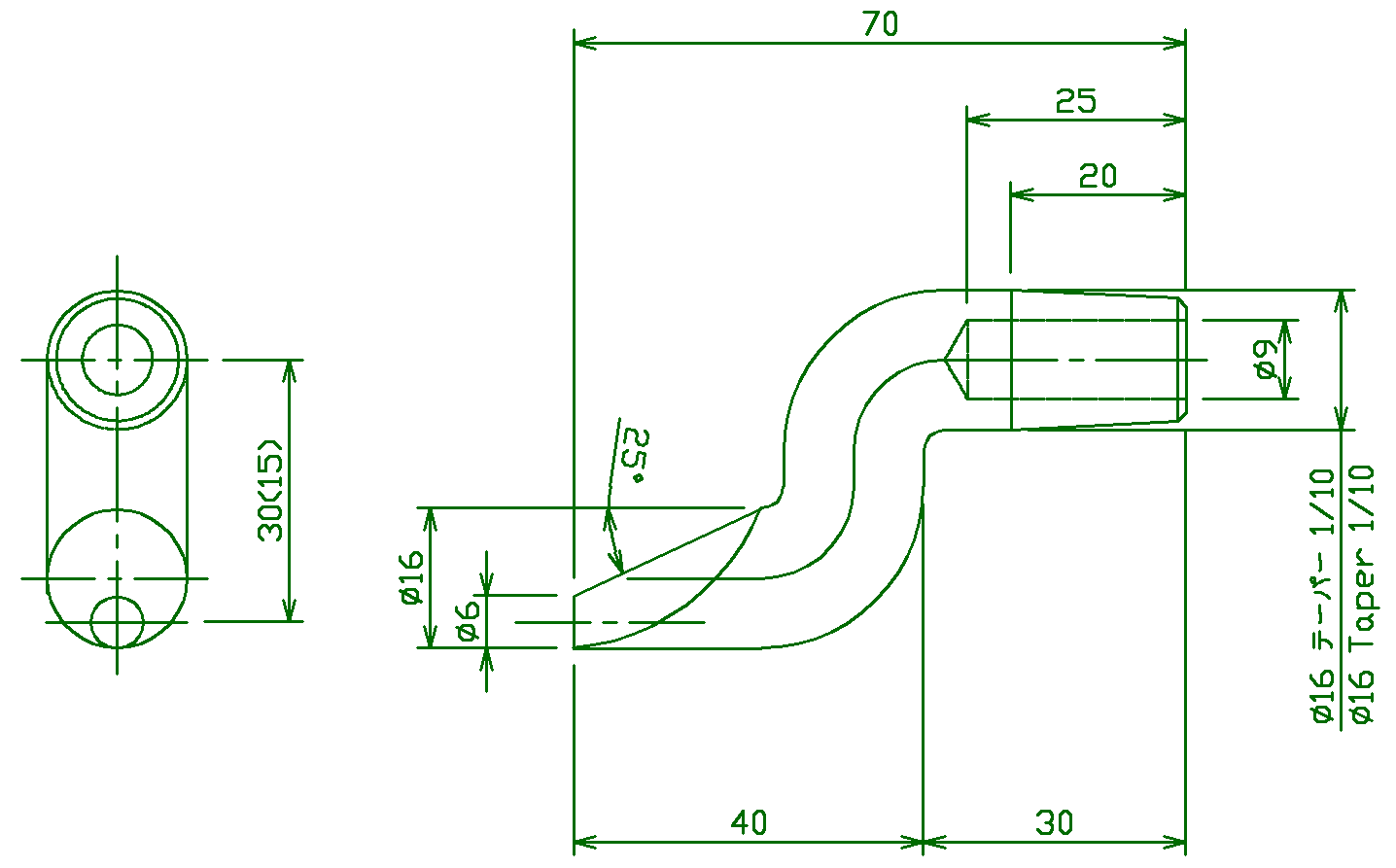
オフセットチップ Offset tip 用法Usage 様々な形の一体式電極で、ワークとの干渉防止に適しています。Various shapes of integrated electrode are suitable for preventing interference with workpieces. もどる この記事を印刷する 関連商品 キャップチップ オリジナル形状 SP キャップチップ R型 ケーブルアダプター